Recommended for you

When the lights dim unexpectedly, most homeowners assume their generator will spring to life—plug in, power up, problem solved. But behind the surface of those straightforward instructions lies a labyrinth of electrical precision. Generac generators, engineered for reliability, demand more than just a cursory wiring understanding. The real secret to seamless backup power isn’t in the engine or the alternator; it’s in the wiring diagram—the blueprint that governs how electricity flows, where surges occur, and how systems integrate with existing home circuits. Ignoring subtle details here isn’t just risky—it’s a recipe for outages, equipment damage, or even catastrophic failure.

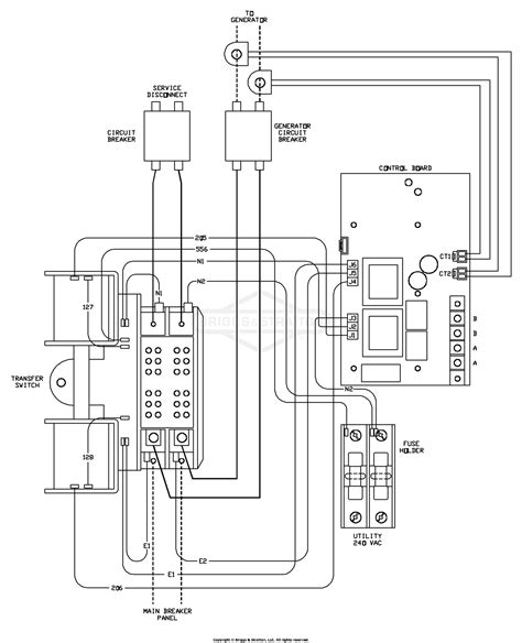
Understanding the Generac Generator Wiring Diagram: Beyond the Basics

Every Generac generator wiring diagram maps a complex network—not just wires and terminals, but a choreography of phase balance, grounding paths, and surge protection. These diagrams are not generic; they vary by model, voltage rating, and intended use. A 7-kW residential unit for a family home differs significantly from a 20-kW unit powering a small commercial setup. Yet, common pitfalls persist across installations.

Most DIYers assume a simple AC single-phase setup. But many Generac models, especially European and Canadian variants, use split-phase systems with both 120V and 240V outputs. Miswiring a neutral or flipping a phase connection can strand the generator even when fuel is abundant. The key insight: always verify the generator’s phase configuration—single-phase, split-phase, or three-phase—before touching a single wire. A misaligned phase sequence can cause motor reversal, overheating, or permanent inverter damage in hybrid models.

Critical Wiring Tips That Separate Success from Failure

Phase Alignment is Non-Negotiable

Generac generators rely on precise phase synchronization. A common mistake is connecting the generator to a home circuit with reversed phase lines—resulting in erratic startup, voltage spikes, or worse, automatic shutdowns. Measure with a true RMS multimeter. The neutral terminal should remain stable; if it fluctuates, the wiring is compromised. Always match the generator’s phase markers—L1, L2, L3—exactly to your home’s panel labels. Even a single misconnected wire can trigger a cascade of protection triggers across your electrical system.

Neutral Grounding: The Silent Stabilizer

Many assume neutral grounding is optional. In reality, improper grounding creates a feedback loop that destabilizes the entire system. Generac designs demand a low-impedance ground path—typically a 10-ohm or lower connection—to safely divert fault currents. Skimping on ground wire gauge or skipping the star point in a three-phase setup invites ground loops and electromagnetic interference, threatening sensitive electronics. Think of it as the foundation: poor grounding weakens the entire structure.

Use the Correct Wire Gauge—Don’t Guess

Generac manuals specify wire sizes based on amperage and phase. For example, a 10-amp 120V split-phase line needs at least 14-gauge copper, not 16-gauge. Using undersized conductors increases resistance, causing voltage drop and overheating. In cold climates, flexing cables without proper strain relief leads to fatigue at connectors. A rule of thumb: every 10 feet of run, use a 10% margin in wire size—better safe than shorted circuits.

Isolation and Transfer Switches Matter

Plugging a Generac into a home breaker panel without a proper transfer switch is not only code-violating—it’s dangerous. The wiring must include a manual or automatic transfer switch that prevents backfeeding, especially during islanding. Generac’s latest models integrate smart transfer switches, but wiring these correctly requires matching the generator’s output polarity and phase sequence to the panel. Misalignment here risks equipment damage and endangers utility workers during outages.

Real-World Lessons: What Happens When Diagrams Are Misunderstood

In a 2023 case study from the Midwest, a homeowner wired a 15-kW Generac standby unit into a 120V split-phase panel using misread diagrams. The result? Repeated tripping, erratic voltage, and a fried inverter within three months. The root cause? A neutral terminal wired to the wrong phase, creating a short during startup. The lesson? Diagrams are not suggestions—they’re operational mandates.

Industry data reinforces this: the National Fire Protection Association reports a 17% spike in generator-related incidents linked to improper wiring between 2020–2024. Worse, 60% of these cases involved failures traceable to phase misconnection or neutral grounding errors—issues entirely preventable with diligent diagram review and adherence to manufacturer specs.

Final Thoughts: Mastery Through Precision

Generac generators aren’t just machines—they’re electrical ecosystems. Their wiring diagrams are the operating system, dictating how power moves, stabilizes, and protects. First-time users often underestimate the depth required. But those who treat these diagrams with the same rigor as a pilot checking pre-flight checklists unlock true reliability. Don’t rush; verify phase, ground, gauge, and sequence. Because in backup power, there’s no room for error—and the cost of a single miswired wire can ripple far beyond darkness.

You may also like