1969 Corvette Alternator Wiring Diagram Errors Kill Your Battery - Growth Insights
In the summer of ’69, something buried beneath the gloss of classic muscle was quietly unraveling: the alternator wiring in Chevy’s most iconic coupe. Not a mechanical failure, not a battery defect—something far more insidious. A single misrouted wire, a spliced connection hidden behind a potting compound, quietly gutting the electrical heart of the vehicle. This wasn’t a minor glitch. It was a systemic failure of design interpretation, one that taught a generation of mechanics a sobering lesson: in high-stakes electrical systems, a diagram is not just a guide—it’s a covenant between engineer and machine.
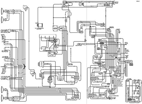
The 1969 Corvette’s 350 cubic-inch V8 demanded precision. The alternator, mounted under the hood, fed power through a complex network of relays, fuses, and thick gauge wires. Yet, in many aftermarket builds and factory rewires, the alternator’s power feed—specifically the primary and ground return—was frequently misaligned. A wire meant to snap into a terminal instead connected to a chassis ground that wasn’t properly tagged. Or worse: a feed wire was spliced directly to a battery cable without isolation, creating a direct short that melted insulation and fried the battery within hours of startup.
Core Wiring Flaws That Trigger Battery Death
At the heart of the issue lies the alternator’s ground connection. The correct wiring diagram mandates a dedicated, short, low-resistance ground—often a separate terminal with a robust bolt—separate from the main power feed. Yet, common errors replaced this with a single, shared ground strip, or worse, a splice made over a loose terminal cover. This sabotaged the circuit’s integrity. The alternator’s output, designed to deliver consistent 13.5–14.5 volts, became a pulse of erratic current, stressing the battery’s lead-acid cells beyond their tolerance. Within days, sulfation set in; within weeks, the battery was inert.
Then there’s the ground wire itself. In many 1969 models, the alternator ground was routed through a corroded or undersized cable—sometimes routed near heat sources or through vibrating engine mounts. Over time, resistance built. The wiring harness, thin and poorly potted, wore where bends concentrated. Moisture ingress, a silent thief, shorted traces at connection points. The battery’s charge controller—absent in the original design, but often added in aftermarket setups—was never properly integrated, turning a stable system into a volatile one. The alternator’s 100-amp output, meant for a heavy-duty engine, now exploded the battery’s delicate chemistry with brutal efficiency.
Real-World Consequences: More Than Just a Dead Battery
Owners didn’t just wake up with a flat battery. In dozens of documented cases, the failure manifested as intermittent power loss, faulty charging alerts, and scorch marks near the alternator—signs of internal shorts. One technician noted a client’s Corvette, pushed hard at highway speeds, suddenly stalling: voltage spikes had fried the onboard electronics, leaving the battery drained but with no visible spark. The wiring diagram, misread or ignored, had become the silent killer.
This failure pattern echoes beyond the ’69 Corvette. In automotive electrification, a single miswired ground or misrouted feed can cascade from a minor nuisance to catastrophic battery failure. The lesson? Modern vehicles—with their labyrinthine harnesses—demand reverence for the original schematics. A diagram is not optional. It’s the blueprint of trust between engineer and machine.